PV-A Variable Frequency Vibration Motors
Avibro Vibrasyon MotorlarıPV-A series products are especially for gross concrete applications; It is an ideal vibration motor developed for the compression of soft concrete in which plywood and steel molds, curtain concrete, viaducts and similar iron reinforcement is dense without segregation.
PV-A series vibration motors,
– Building tunnel formworks,
– Column, viaduct and curtain concrete molds,
– Superstructure and infrastructure,
– In concrete pipe molds,
– On vibration tables,
– All densely reinforced wooden and steel concrete molds,
It is used for compacting fresh, reliable, long-lasting, comfortable and problem-free concrete.
For all PV-A series
PV-A 50 Hz - 3000 rpm / 200 Hz 6000 rpm
| Model / Type | Gövde / Size | Santrüfüj Kuvveti / Centrifugal Force (Kg/f) |
Statik Moment / Statical Moment (m¹) Kgmm |
Ağırlık / Weight (Kg) |
Giriş Gücü Input / Power (W) | Nominal Akım Nom. Current (A) |
Gerilim Voltage (V) |
Frekans Frequency (Hz) | Devir rpm |
| PV-A 400/42 | 20 | 392 | 9,7 | 8,3 | 400 | 8,7 | 42-55~ | 200 | 6000 |
| PV-A 400/230 | 20 | 311 | 30,9 | 8,3 | 400 | 113,6 | 230~ | 50 | 3000 |
| PV-A 400/400 | 20 | 387 | 38,4 | 8,3 | 400 | 1,1 | 400~ | 50 | 3000 |
| PV-A 400/115 | 20 | 374 | 9,2 | 8,3 | 400 | 3,4 | 115~ | 200 | 6000 |
PV-A 50 Hz - 3000 rpm / 200 Hz 6000 rpm-60Hz
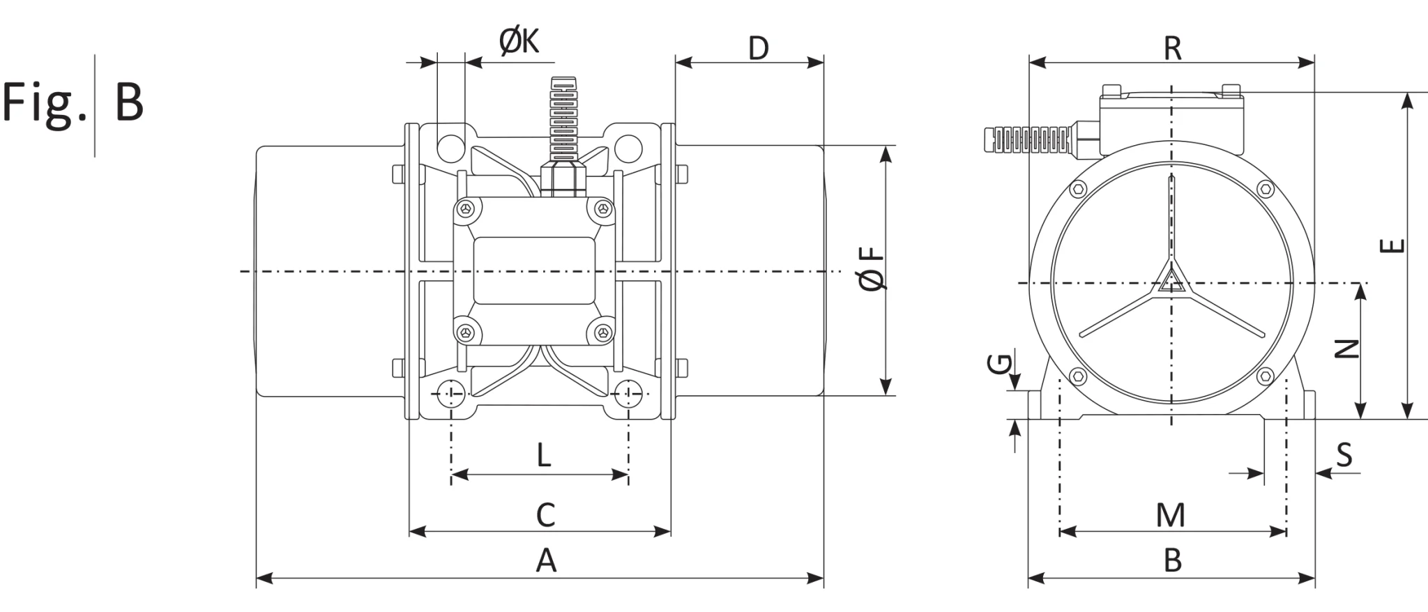
| Model / Type | Gövde / Size | Fig | A | B | C | D | E | ØF | R | L | M | ØK | K¹ | G | S | N | |
| PV-A 400/42 | 20 |
B | 289 | 150,5 | 134 | 77,5 | 172 | 128 | 150 | 90 | 125 | 13,5 | 4 | - | 14 | 27 | 71,5 |
| PV-A 400/42 | 20 |
B | 289 | 150,5 | 134 | 77,5 | 172 | 128 | 150 | 90 | 125 | 13,5 | 4 | - | 14 | 27 | 71,5 |
| PV-A 400/42 | 20 |
B | 289 | 150,5 | 134 | 77,5 | 172 | 128 | 150 | 90 | 125 | 13,5 | 4 | - | 14 | 27 | 71,5 |
| PV-A 400/42 | 20 |
B | 289 | 150,5 | 134 | 77,5 | 172 | 128 | 150 | 90 | 125 | 13,5 | 4 | - | 14 | 27 | 71,5 |
Other Products