AVM Industrial Vibration Motors
Avibro Vibrasyon MotorlarıAVIBRO foot mounted vibration motors offer a full range of premium quality foot mounted vibrator motors that meet the needs of all industrial machinery where vibration power is required.
We declare that all our AVM series products comply with the essential health and safety requirements of the applicable EEC Directives (safety of machinery 2006/42/EC; and 2014/35/EU Low voltage directives) and are able to fulfill the requirements for free movement.
AVM AFV / AFV-EC / AFV-C AVM-D AVM-P Series vibration motors can be operated by variable Frequency inverters (VFD featured).
All series whıch starts with AVM code;
Three-Phase Input Voltage:
For All AVM series : Standart applications: 50Hz- 220 – 230/380-400 Volt or 60Hz 220-240/440-480 Volt
We are offering you different voltage and frequency on demand
APV series can be operated by electronic or electromechanic converters.
For all AVM-P Series :
2 poles: 3000 rpm- 50 Hz 3600 rpm – 60 Hz
4 poles : 1500 rpm – 50 Hz 1800 rpm – 60 Hz
6 poles : 1000 rpm – 50 Hz 1200 rpm – 60 Hz
8 poles : 750 rpm – 50 Hz 900 rpm – 60 Hz
10 poles : 600 rpm – 50 Hz 720 rpm – 60 Hz
12 poles : 500 rpm – 50 Hz 600 rpm – 60 Hz
AVIBRO Vibration motors are designed for gaining most vibration according to working regime S1. Thanks to degress on both end Masses from %0 to %100 you can adjust requied vibration force. Eccentric masses on both side ends of shaft must be at same degrees.
We hereby declare that All AVM Series goods are manufacturing in compliance with regulations envisioned by EEC( Machine directive 2006/42/EC Directive 2006/42/EC of the European Parliament and of the Council of 17 May 2006 on machinery, and amending Directive 95/16/EC (recast) AND 2014/35/EU Directive 2014/35/EU of the European Parliament and of the Council of 26 February 2014 on the harmonisation of the laws of the Member States relating to the making available on the market of electrical equipment designed for use within certain voltage limits (recast). *Decleration will loose its validity if there will be any change by product.
We are highly aware of enviromental pollution in our Planet. We are highly aware of enviromental pollution in our Planet. For this reason, AVIBRO offers you more power compared to its competitors with the STATOR-ROTOR design created with the lowest loss silicon magnetic lamination sheets, while offering products with increased efficiency by reducing heating.
AVM series vibration motors have powerful standard H class insulation. On demand, you can choose a stronger insulation class. Eccentric weight covers, bearing covers and terminal covers are mechanically protected against external damage with o-ring seals. Inside the terminal box, it is protected by Epoxy resin against breakage against leakage and vibration. IP 65-7
For AVM-P Series -20 C +40 C ( -4 F 104 F )
For AVM series products, we do not have a standard thermistor application. We offer 130 C PTC Application on AVM-P series products on demand.
For AVM series, all other series and new products, stress analyzes are made on the product bodies and bearing covers on the 3D CAD program. Afterwards, we manufacture our 50 frame size body and bearing covers, our special alloy aluminum injection molding 60 and 110 structure size body and bearing covers from high resistant GGG 40 ductile cast iron.
Our rotating shafts (rotor shaft) use NiCrMo special steel round raw material with high resistance to torsion and rupture with heat treatment.
We use electrostatic epoxy powder paint in almost all of our AVM Series products.
Body color code: ORANGE
Covers color Code: ORANGE
AVIBRO vibrator motors use bearings with C4 backlash produced for long-lasting vibration in all standard products. Thus, we produce long-lasting vibration motors for our customers. For our vibration motor bearings, we use long-lasting, high-strength greases against high centrifugal forces, stress caused by vibration, and abrasions that may occur from loads on bearing internal grains. We use labyrinth type channels and oil seals to ensure that the grease runs in the bearings without any leakage.
Pre-heaters
Stainless side covers Cr
Different foot-prints for your special applications
design productions
AVM 2 poles 3000 rpm-50Hz / 3600 rpm-60Hz
| Model / Type | Gövde / Size | Santrifüj Kuvveti / Centrifugal Force (Kg/F) 50Hz | Santrifüj Kuvveti / Centrifugal Force (Kg/F) 60Hz |
Santrifüj Kuvveti / Centrifugal Force (Kg/F) 50Hz |
Santrifüj Kuvveti / Centrifugal Force (Kg/F) 60Hz |
(*) Statik Moment / Statical Moment (Kgmm) 50Hz | (*) Statik Moment / Statical Moment (Kgmm) 60Hz | Ağırlık / Weight (Kg) 50Hz | Ağırlık / Weight (Kg) 60Hz | Giriş Gücü / Input Power (W) 50Hz | Giriş Gücü / Input Power (W) 60Hz | Nominal Akım / Nom. Current (A) 400V 50Hz | Nominal Akım / Nom. Current (A) 460V 60Hz |
IA / IN 50Hz 220V 50Hz |
IA / IN 60Hz 115V 60Hz |
IA / IN 50Hz |
IA / IN 60Hz |
| AVM 65/3 | 10 | 61 | 69 | 0,59 | 0,67 | 6,1 | 4,7 | 4,9 | 4,7 | 150 | 165 | 0,30 | 0,30 | 0,51 | 0,52 | 2,72 | 3,00 |
| AVM 130/3 | 10 | 153 | 143 | 1,50 | 1,40 | 15,2 | 9,8 | 5,4 | 5,1 | 180 | 180 | 0,35 | 0,32 | 0,59 | 0,54 | 2,64 | 2,96 |
| AVM 200/3 | 10 | 214 | 226 | 2,09 | 2,21 | 21,3 | 15,6 | 5,7 | 5,4 | 180 | 180 | 0,35 | 0,32 | 0,59 | 0,54 | 2,64 | 2,96 |
| AVM 300/3 | 20 | 323 | 281 | 3,16 | 2,75 | 32,1 | 19,4 | 8,5 | 8,2 | 280 | 290 | 0,60 | 0,50 | 1,02 | 0,85 | 3,50 | 4,15 |
| AVM 400/3 | 20 | 421 | 456 | 4,13 | 4,47 | 41,8 | 31,4 | 8,9 | 8,5 | 370 | 400 | 0,75 | 0,70 | 1,27 | 1,19 | 4,10 | 4,35 |
| AVM 500/3 | 30A | 565 | 552 | 5,54 | 5,41 | 56,2 | 38,1 | 14,6 | 14,0 | 470 | 520 | 0,80 | 0,75 | 1,36 | 1,27 | 4,15 | 4,60 |
| AVM 650/3 | 30A | 674 | 681 | 6,61 | 6,68 | 66,9 | 47,0 | 14,9 | 14,4 | 550 | 600 | 0,90 | 0,85 | 1,53 | 1,44 | 4,25 | 4,70 |
| AVM 760/3 | 30A | 751 | 798 | 7,36 | 7,82 | 74,6 | 55,1 | 15,4 | 14,7 | 550 | 650 | 0,90 | 0,90 | 1,53 | 1,55 | 4,30 | 4,90 |
| AVM 800/3 | 40A | 797 | 866 | 7,81 | 8,49 | 79,2 | 59,8 | 22,8 | 22,2 | 650 | 680 | 1,10 | 1,00 | 1,87 | 1,73 | 3,80 | 5,80 |
| AVM 850/3 | 40A | 891 | 913 | 8,74 | 8,95 | 88,6 | 63,0 | 23,2 | 22,2 | 660 | 700 | 1,20 | 1,10 | 2,04 | 1,87 | 3,90 | 6,00 |
| AVM 950/3 | 40A | 996 | 1056 | 9,77 | 10,35 | 99,0 | 72,9 | 23,5 | 22,6 | 720 | 800 | 1,50 | 1,50 | 2,55 | 2,59 | 3,70 | 4,10 |
| AVM 1100/3 | 40A | 1195 | 1127 | 11,72 | 11,05 | 118,8 | 77,8 | 23,8 | 22,9 | 1000 | 1100 | 1,75 | 1,70 | 2,97 | 2,94 | 3,65 | 4,00 |
| AVM 1300/3 | 40A | 1394 | 1397 | 13,67 | 13,70 | 138,6 | 96,4 | 25,5 | 24,1 | 1300 | 1200 | 2,20 | 2,00 | 3,74 | 3,46 | 4,00 | 5,06 |
| AVM 1600/3 | 50A | 1655 | 1702 | 16,23 | 16,69 | 164,5 | 117,4 | 33,6 | 32,3 | 1500 | 1500 | 2,40 | 2,10 | 4,08 | 3,57 | 4,68 | 4,96 |
| AVM 1800/3 | 50A | 1847 | 1895 | 18,11 | 18,59 | 183,5 | 130,8 | 34,9 | 32,9 | 2000 | 2000 | 3,20 | 3,00 | 5,44 | 5,19 | 4,46 | 5,45 |
| AVM 2000/3 | 50A | 2045 | 2155 | 20,06 | 21,14 | 203,2 | 148,7 | 35,5 | 34,2 | 2200 | 2300 | 3,40 | 2,90 | 5,78 | 4,93 | 4,34 | 5,80 |
| AVM 2300/3 | 50A | 2316 | 2392 | 22,72 | 23,46 | 230,2 | 165,1 | 36,3 | 34,4 | 2200 | 2300 | 3,40 | 2,90 | 5,78 | 4,93 | 4,34 | 5,80 |
| AVM 2500/3 | 60A | 2584 | 2566 | 25,34 | 25,17 | 256,8 | 177,1 | 78,5 | 76,5 | 2500 | 2400 | 3,80 | 3,50 | -- | -- | 4,86 | 5,72 |
| AVM 2850/3 | 60A | 2956 | 2891 | 28,99 | 28,36 | 293,8 | 199,5 | 68,0 | 66,0 | 3000 | 2800 | 4,50 | 3,90 | -- | -- | 4,92 | 6,11 |
| AVM 3300/3 | 60A | 3548 | 3322 | 34,80 | 32,58 | 352,7 | 229,3 | 70,0 | 68,0 | 4000 | 4000 | 6,40 | 5,70 | -- | -- | 4,52 | 5,24 |
| AVM 4000/3 | 60A | 4308 | 5041 | 42,26 | 49,45 | 428,2 | 347,9 | 73,0 | 71,0 | 4200 | 4200 | 6,20 | 5,40 | -- | -- | 4,63 | 5,30 |
| AVM 5000/3 | 60A | 5188 | 6101 | 50,89 | 59,85 | 515,7 | 421,1 | 76,0 | 77,0 | 5000 | 5000 | 7,80 | 6,70 | -- | -- | 5,94 | 7,34 |
| AVM 6500/3 | 90A | 6611 | 6547 | 64,85 | 64,22 | 657,1 | 451,9 | 246,5 | 244,5 | 8000 | 8000 | 13,00 | 12,00 | -- | -- | 6,27 | 6,54 |
| AVM 7600/3 | 90A | 7691 | 7714 | 75,44 | 75,67 | 764,4 | 532,4 | 256,5 | 253,5 | 9000 | 9000 | 15,00 | 13,00 | -- | -- | 4,66 | 5,91 |
| AVM 9000/3 | 90A | 9107 | 9000 | 89,34 | 88,29 | 905,2 | 621,2 | 264,0 | 261,0 | 10000 | 9500 | 16,30 | 13,70 | -- | -- | 4,51 | 5,68 |
AVM 2 poles 3000 rpm-50Hz / 3600 rpm-60Hz
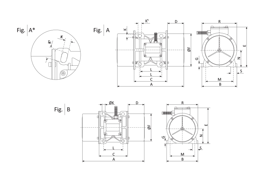
| Model / Type | Gövde / Size | Fig | A | B | C | D | E | ØF | R | L | M | ØK | ØK | K¹ | G | S | N |
| AVM 65/3 | 10 | A | 235 | 123,5 | 108 | 63,5 | 151,5 | 107 | 132,5 | 62÷74 | 106 | 8,75 | 4 | 14,5 | 17 | 22 | 59,5 |
| AVM 130/3 | 10 | A | 235 | 123,5 | 108 | 63,5 | 151,5 | 107 | 132,5 | 62÷74 | 106 | 8,75 | 4 | 14,5 | 17 | 22 | 59,5 |
| AVM 200/3 | 10 | A | 235 | 123,5 | 108 | 63,5 | 151,5 | 107 | 132,5 | 62÷74 | 106 | 8,75 | 4 | 14,5 | 17 | 22 | 59,5 |
| AVM 1600/3 | 50A | A | 289 | 150,5 | 134 | 77,5 | 175 | 128 | 150 | 90 | 125 | 13,5 | 4 | - | 20 | 27 | 74,5 |
| AVM 1800/3 | 50A | A | 289 | 150,5 | 134 | 77,5 | 175 | 128 | 150 | 90 | 125 | 13,5 | 4 | - | 20 | 27 | 74,5 |
| AVM 2000/3 | 50A | A | 286 | 190 | 153 | 66,5 | 203,5 | 155 | 185 | 100÷105 | 140÷160 | 12 | 4 | 22,5 | 22 | 38 | 93,5 |
| AVM 2300/3 | 50A | A | 286 | 190 | 153 | 66,5 | 203,5 | 155 | 185 | 100÷105 | 140÷160 | 12 | 4 | 22,5 | 22 | 38 | 93,5 |
| AVM 500/3 | 30A | A* | 286 | 190 | 153 | 66,5 | 203,5 | 155 | 185 | 100÷105 | 140÷160 | 12 | 4 | 22,5 | 22 | 38 | 93,5 |
| AVM 650/3 | 30A | A* | 363 | 210 | 188 | 87,5 | 228,5 | 183 | 220 | 120 | 170 | 17 | 4 | - | 26 | 37 | 107,5 |
| AVM 760/3 | 30A | A* | 363 | 210 | 188 | 87,5 | 228,5 | 183 | 220 | 120 | 170 | 17 | 4 | - | 26 | 37 | 107,5 |
| AVM 300/3 | 20 | B | 363 | 210 | 188 | 87,5 | 228,5 | 183 | 220 | 120 | 170 | 17 | 4 | - | 26 | 37 | 107,5 |
| AVM 400/3 | 20 | B | 363 | 210 | 188 | 87,5 | 228,5 | 183 | 220 | 120 | 170 | 17 | 4 | - | 26 | 37 | 107,5 |
| AVM 800/3 | 40A | B | 363 | 210 | 188 | 87,5 | 228,5 | 183 | 220 | 120 | 170 | 17 | 4 | - | 26 | 37 | 107,5 |
| AVM 850/3 | 40A | B | 466 | 230 | 226 | 120 | 248 | 220 | 260 | 140÷150 | 190 | 18,5 | 4 | 23,5 | 27 | 50,5 | 120,5 |
| AVM 950/3 | 40A | B | 466 | 230 | 226 | 120 | 248 | 220 | 260 | 140÷150 | 190 | 18,5 | 4 | 23,5 | 27 | 50,5 | 120,5 |
| AVM 1100/3 | 40A | B | 466 | 230 | 226 | 120 | 248 | 220 | 260 | 140÷150 | 190 | 18,5 | 4 | 23,5 | 27 | 50,5 | 120,5 |
| AVM 1300/3 | 40A | B | 466 | 230 | 226 | 120 | 248 | 220 | 260 | 140÷150 | 190 | 18,5 | 4 | 23,5 | 27 | 50,5 | 120,5 |
| AVM 2500/3 | 60A | C | 544 | 269 | 260 | 142 | 274 | 244 | 282 | 155 | 225 | 22 | 4 | - | 25 | 53,5 | 133 |
| AVM 2850/3 | 60A | C | 544 | 269 | 260 | 142 | 274 | 244 | 282 | 155 | 225 | 22 | 4 | - | 25 | 53,5 | 133 |
| AVM 3300/3 | 60A | C | 544 | 269 | 260 | 142 | 274 | 244 | 282 | 155 | 225 | 22 | 4 | - | 25 | 53,5 | 133 |
| AVM 4000/3 | 60A | C | 544 | 269 | 260 | 142 | 274 | 244 | 282 | 155 | 225 | 22 | 4 | - | 25 | 53,5 | 133 |
| AVM 5000/3 | 60A | C | 544 | 269 | 260 | 142 | 274 | 244 | 282 | 155 | 225 | 22 | 4 | - | 25 | 53,5 | 133 |
| AVM 6500/3 | 90A | D | 630 | 390 | 366 | 132 | 398,5 | 354 | 405 | 100 x 2 | 320 | 28 | 6 | - | 38 | 76 | 196 |
| AVM 7600/3 | 90A | D | 630 | 390 | 366 | 132 | 398,5 | 354 | 405 | 100 x 2 | 320 | 28 | 6 | - | 38 | 76 | 196 |
| AVM 9000/3 | 90A | D | 630 | 390 | 366 | 132 | 398,5 | 354 | 405 | 100 x 2 | 320 | 28 | 6 | - | 38 | 76 | 196 |
AVM 4 poles 1500 rpm-50Hz / 1800 rpm-60Hz
| Model / Type | Gövde / Size | Santrifüj Kuvveti / Centrifugal Force (Kg/F) 50Hz |
Santrifüj Kuvveti / Centrifugal Force (Kg/F) 60Hz |
Santrifüj Kuvveti / Centrifugal Force (Kg/F) 50Hz |
Santrifüj Kuvveti / Centrifugal Force (Kg/F) 60Hz |
(*) Statik Moment / Statical Moment (Kgmm) 50Hz | (*) Statik Moment / Statical Moment (Kgmm) 60Hz | Ağırlık / Weight (Kg) 50Hz |
Ağırlık / Weight (Kg) 60Hz |
Giriş Gücü / Input Power (W) 50Hz | Giriş Gücü / Input Power (W) 60Hz | Nominal Akım / Nom. Current (A) 400V 50Hz |
Nominal Akım / Nom. Current (A) 460V 60Hz |
IA / IN 50Hz 220V 50Hz |
IA / IN 60Hz 115V 60Hz |
IA / IN 50Hz |
IA / IN 60Hz |
| AVM 20/15 | 10 | 23 | 27 | 0,26 | 0,27 | 9,1 | 7,4 | 5,0 | 4,8 | 90 | 85 | 0,22 | 0,20 | 0,34 | 0,34 | 1,85 | 2,00 |
| AVM 30/15 | 10 | 30 | 39 | 0,29 | 0,38 | 11,9 | 10,7 | 5,2 | 5,0 | 90 | 85 | 0,22 | 0,20 | 0,34 | 0,34 | 1,85 | 2,00 |
| AVM 60/15 | 10 | 54 | 58 | 0,53 | 0,56 | 21,3 | 16,0 | 5,7 | 5,4 | 90 | 85 | 0,22 | 0,20 | 0,34 | 0,34 | 1,85 | 2,00 |
| AVM 90/15 | 10 | 84 | 93 | 0,82 | 0,91 | 33,4 | 25,7 | 6,5 | 6,1 | 95 | 105 | 0,24 | 0,26 | 0,40 | 0,44 | 1,95 | 2,10 |
| AVM 200/15 | 20 | 210 | 207 | 2,06 | 2,03 | 83,5 | 57,1 | 10,5 | 9,5 | 180 | 190 | 0,42 | 0,38 | 0,71 | 0,64 | 2,42 | 2,90 |
| AVM 250/15 | 20 | 242 | 248 | 2,37 | 2,43 | 96,2 | 68,4 | 11,0 | 10,3 | 250 | 270 | 0,54 | 0,42 | 0,91 | 0,71 | 3,28 | 3,50 |
| AVM 300/15 | 30B | 303 | 341 | 2,97 | 3,34 | 120,4 | 94,1 | 17,0 | 15,8 | 280 | 300 | 0,62 | 0,60 | 1,05 | 1,02 | 3,18 | 3,50 |
| AVM 400/15 | 30B | 421 | 439 | 4,13 | 4,30 | 167,4 | 121,2 | 18,2 | 16,6 | 300 | 350 | 0,64 | 0,66 | 1,08 | 1,12 | 3,36 | 3,68 |
| AVM 520/15 | 30B | 546 | 609 | 5,35 | 5,97 | 217,1 | 168,1 | 20,2 | 18,8 | 350 | 400 | 0,70 | 0,74 | 1,19 | 1,26 | 3,44 | 3,86 |
| AVM 750/15 | 40B | 743 | 700 | 7,29 | 6,86 | 295,4 | 193,2 | 28,0 | 26 | 500 | 525 | 0,96 | 0,92 | 1,63 | 1,57 | 3,54 | 4,52 |
| AVM 900/15 | 40B | 892 | 867 | 8,75 | 8,50 | 354,6 | 239,4 | 30,4 | 27,2 | 550 | 650 | 1,00 | 0,98 | 1,73 | 1,69 | 3,64 | 3,43 |
| AVM 1100/15 | 40B | 1127 | 1067 | 11,05 | 10,46 | 448,1 | 294,6 | 34,0 | 28,2 | 600 | 650 | 1,10 | 0,98 | 1,87 | 1,69 | 3,28 | 3,43 |
| AVM 1300/15 | 40B | 1314 | 1291 | 12,89 | 12,66 | 522,4 | 356,4 | 35,0 | 33,0 | 720 | 800 | 1,28 | 1,32 | 2,18 | 2,24 | 3,90 | 4,14 |
| AVM 1500/15 | 50A | 1523 | 1655 | 14,94 | 16,23 | 605,5 | 456,9 | 42,0 | 40,0 | 900 | 1050 | 1,45 | 1,50 | 2,47 | 2,55 | 4,10 | 4,20 |
| AVM 1800/15 | 50A | 1833 | 1916 | 17,98 | 18,79 | 728,7 | 529,1 | 47,0 | 43,0 | 1100 | 1200 | 2,00 | 1,90 | 3,46 | 3,30 | 4,32 | 4,94 |
| AVM 2000/15 | 50B | 2137 | 2166 | 20,96 | 21,24 | 849,6 | 598,1 | 49,7 | 45,5 | 1300 | 1350 | 2,45 | 2,30 | 4,24 | 4,00 | 4,30 | 4,90 |
| AVM 2300/15 | 50B | 2442 | 2474 | 23,95 | 24,27 | 970,9 | 683,1 | 54,0 | 49,5 | 1500 | 1500 | 2,90 | 2,80 | 5,00 | 4,84 | 5,95 | 7,00 |
| AVM 2450/15 | 60A | 2574 | 2502 | 25,26 | 24,54 | 1023,3 | 690,8 | 95,0 | 90,0 | 1600 | 1700 | 3,20 | 3,00 | -- | -- | 6,10 | 7,25 |
| AVM 2700/15 | 60A | 2943 | 2614 | 28,87 | 25,64 | 1170,1 | 721,7 | 98,5 | 93,5 | 1700 | 1800 | 3,30 | 3,10 | -- | -- | 4,90 | 6,90 |
| AVM 3100/15 | 60A | 3360 | 3243 | 32,96 | 31,81 | 1335,8 | 895,4 | 100,5 | 94,5 | 2000 | 2100 | 3,70 | 3,50 | -- | -- | 6,48 | 7,45 |
| AVM 3800/15 | 70A | 3859 | 3802 | 37,85 | 37,29 | 1534,2 | 1049,7 | 112,0 | 105,0 | 2200 | 2500 | 4,00 | 3,90 | -- | -- | 7,10 | 7,00 |
| AVM 4300/15 | 70A | 4503 | 4005 | 44,17 | 39,28 | 1790,3 | 1105,7 | 116,0 | 108,0 | 2800 | 3000 | 5,00 | 4,90 | -- | -- | 6,11 | 7,18 |
| AVM 5000/15 | 80A | 5926 | 6367 | 58,13 | 62,46 | 2356,1 | 1757,9 | 175,0 | 166,0 | 3500 | 3400 | 5,90 | 5,00 | -- | -- | 6,94 | 8,00 |
| AVM 6000/15 | 80A | 6240 | 6412 | 61,24 | 62,90 | 2480,9 | 1770,3 | 176,5 | 168,5 | 4000 | 4500 | 7,00 | 6,80 | -- | -- | 7,00 | 8,10 |
| AVM 7000/15 | 90A | 6733 | 6703 | 66,05 | 65,75 | 2676,9 | 1850,7 | 274,0 | 265,0 | 6000 | 6000 | 10,50 | 9,00 | -- | -- | 6,50 | 7,70 |
| AVM 7500/15 | 90A | 7502 | 7208 | 73,59 | 70,71 | 2982,6 | 1990,1 | 280,0 | 270,0 | 6200 | 6500 | 11,20 | 11,60 | -- | -- | 5,10 | 5,40 |
| AVM 7900/15 | 90A | 8070 | 7994 | 79,16 | 78,42 | 3208,5 | 2207,2 | 283,0 | 272,0 | 7000 | 8000 | 11,60 | 11,50 | -- | -- | 5,45 | 5,60 |
| AVM 9500/15 | 100A | 9519 | 9127 | 93,38 | 89,53 | 37,84,6 | 2519,9 | 340,0 | 338,0 | 7500 | 8500 | 12,20 | 12,00 | -- | -- | 6,56 | 6,70 |
| AVM 11500/15 | 100A | 10868 | 10912 | 106,61 | 107,04 | 4320,9 | 3012,8 | 350,0 | 341,0 | 11000 | 10500 | 17,50 | 16,00 | -- | -- | 7,00 | 8,10 |
AVM 4 poles 1500 rpm-50Hz / 1800 rpm-60Hz
| Model / Type | Gövde / Size | Fig | A | B | C | D | E | ØF | R | L | M | ØK | ØK | K¹ | G | S | N |
| AVM 20/15 | 10 | A | 235 | 123,5 | 108 | 63,5 | 151,5 | 107 | 132,5 | 62÷74 | 106 | 8,75 | 4 | 14,5 | 17 | 22 | 59,5 |
| AVM 30/15 | 10 | A | 235 | 123,5 | 108 | 63,5 | 151,5 | 107 | 132,5 | 62÷74 | 106 | 8,75 | 4 | 14,5 | 17 | 22 | 59,5 |
| AVM 60/15 | 10 | A | 235 | 123,5 | 108 | 63,5 | 151,5 | 107 | 132,5 | 62÷74 | 106 | 8,75 | 4 | 14,5 | 17 | 22 | 59,5 |
| AVM 90/15 | 10 | A | 235 | 123,5 | 108 | 63,5 | 151,5 | 107 | 132,5 | 62÷ 74 | 106 | 8,75 | 4 | 14,5 | 17 | 22 | 59,5 |
| AVM 200/15 | 20 | B | 289 | 150,5 | 134 | 77,5 | 175 | 128 | 150 | 90 | 125 | 13,5 | 4 | - | 20 | 27 | 74,5 |
| AVM 250/15 | 20 | B | 289 | 150,5 | 134 | 77,5 | 175 | 128 | 150 | 90 | 125 | 13,5 | 4 | - | 20 | 27 | 74,5 |
| AVM 300/15 | 30B | A* | 322 | 190 | 153 | 84,5 | 203,5 | 155 | 185 | 100÷105 | 140÷160 | 12 | 4 | 22,5 | 22 | 38 | 93,5 |
| AVM 400/15 | 30B | A* | 322 | 190 | 153 | 84,5 | 203,5 | 155 | 185 | 100÷105 | 140÷60 | 12 | 4 | 22,5 | 22 | 38 | 93,5 |
| AVM 520/15 | 30B | A* | 322 | 190 | 153 | 84,5 | 203,5 | 155 | 185 | 100÷105 | 140÷160 | 12 | 4 | 22,5 | 22 | 38 | 93,5 |
| AVM 750/15 | 40B | B | 405 | 210 | 188 | 108,5 | 228,5 | 183 | 220 | 120 | 170 | 17 | 4 | - | 26 | 37 | 107,5 |
| AVM 900/15 | 40B | B | 405 | 210 | 188 | 108,5 | 228,5 | 183 | 220 | 120 | 170 | 17 | 4 | - | 26 | 37 | 107,5 |
| AVM 1100/15 | 40B | B | 405 | 210 | 188 | 108,5 | 228,5 | 183 | 220 | 120 | 170 | 17 | 4 | - | 26 | 37 | 107,5 |
| AVM 1300/15 | 40B | B | 405 | 210 | 188 | 108,5 | 228,5 | 183 | 220 | 120 | 170 | 17 | 4 | - | 26 | 37 | 107,5 |
| AVM 1500/15 | 50A | A | 466 | 230 | 226 | 120 | 248 | 220 | 260 | 140÷150 | 190 | 18,5 | 4 | 23,5 | 27 | 50,5 | 120,5 |
| AVM 1800/15 | 50A | A | 466 | 230 | 226 | 120 | 248 | 220 | 260 | 140÷150 | 190 | 18,5 | 4 | 23,5 | 27 | 50,5 | 120,5 |
| AVM 2000/15 | 50B | A | 520 | 230 | 226 | 147 | 248 | 220 | 260 | 140÷150 | 190 | 18,5 | 4 | 23,5 | 27 | 50,5 | 120,5 |
| AVM 2300/15 | 50B | A | 520 | 230 | 226 | 147 | 248 | 220 | 260 | 140÷150 | 190 | 18,5 | 4 | 23,5 | 27 | 50,5 | 120,5 |
| AVM 2450/15 | 60A | C | 544 | 269 | 260 | 142 | 274 | 244 | 282 | 155 | 225 | 22 | 4 | - | 25 | 53,5 | 133 |
| AVM 2700/15 | 60A | C | 544 | 269 | 260 | 142 | 274 | 244 | 282 | 155 | 225 | 22 | 4 | - | 25 | 53,5 | 133 |
| AVM 3100/15 | 60A | C | 544 | 269 | 260 | 142 | 274 | 244 | 282 | 155 | 225 | 22 | 4 | - | 25 | 53,5 | 133 |
| AVM 3800/15 | 70A | C | 544 | 315 | 290 | 127 | 323,5 | 284 | 327 | 155 | 255 | 22 | 4 | - | 30 | 65,5 | 160 |
| AVM 4300/15 | 70A | C | 544 | 315 | 290 | 127 | 323,5 | 284 | 327 | 155 | 255 | 22 | 4 | - | 30 | 65,5 | 160 |
| AVM 5000/15 | 80A | C | 631 | 340 | 334 | 148,5 | 352 | 309 | 360 | 180 | 280 | 25 | 4 | - | 35 | 77 | 172 |
| AVM 6000/15 | 80A | C | 631 | 340 | 334 | 148,5 | 352 | 309 | 360 | 180 | 280 | 25 | 4 | - | 35 | 77 | 172 |
| AVM 7000/15 | 90A | D | 630 | 390 | 366 | 132 | 398,5 | 354 | 405 | 100 x 2 | 320 | 28 | 6 | - | 38 | 76 | 196 |
| AVM 7500/15 | 90A | D | 630 | 390 | 366 | 132 | 398,5 | 354 | 405 | 100 x 2 | 320 | 28 | 6 | - | 38 | 76 | 196 |
| AVM 7900/15 | 90A | D | 630 | 390 | 366 | 132 | 398,5 | 354 | 405 | 100 x 2 | 320 | 28 | 6 | - | 38 | 76 | 196 |
| AVM 9500/15 | 100A | D | 740 | 460 | 410 | 165 | 454,5 | 412 | 465 | 125 x 2 | 380 | 38 | 6 | - | 45 | 98 | 222 |
| AVM 11500/15 | 100A | D | 740 | 460 | 410 | 165 | 454,5 | 412 | 465 | 125 x 2 | 380 | 38 | 6 | - | 45 | 98 | 222 |
AVM 6 poles 1000 rpm-50Hz / 1200rpm-60Hz
| Model / Type | Gövde / Size | Santrifüj Kuvveti / Centrifugal Force (Kg/F) 50Hz |
Santrifüj Kuvveti / Centrifugal Force (Kg/F) 60Hz |
Santrifüj Kuvveti / Centrifugal Force (Kg/F) 50Hz |
Santrifüj Kuvveti / Centrifugal Force (Kg/F) 60Hz |
(*) Statik Moment / Statical Moment (Kgmm) 50Hz | (*) Statik Moment / Statical Moment (Kgmm) 60Hz | Ağırlık / Weight (Kg) 50Hz |
Ağırlık / Weight (Kg) 60Hz |
Giriş Gücü / Input Power (W) 50Hz | Giriş Gücü / Input Power (W) 60Hz | Nominal Akım / Nom. Current (A) 400V 50Hz |
Nominal Akım / Nom. Current (A) 460V 60Hz |
IA / IN 50Hz 220V 50Hz |
IA / IN 60Hz 115V 60Hz |
IA / IN 50Hz |
IA / IN 60Hz |
| AVM 200/10 | 30B | 189 | 258 | 1,85 | 2,53 | 169,1 | 160,2 | 20,0 | 20,0 | 270 | 250 | 0,60 | 0,55 | 1,02 | 0,93 | 2,65 | 3,00 |
| AVM 270/10 | 30B | 242 | 331 | 2,37 | 3,24 | 216,4 | 205,6 | 20,2 | 20,2 | 320 | 350 | 0,75 | 0,72 | 1,27 | 1,22 | 2,65 | 2,90 |
| AVM 390/10 | 40B | 318 | 446 | 3,12 | 4,37 | 284,5 | 277,1 | 29,0 | 28,0 | 350 | 380 | 0,80 | 0,76 | 1,36 | 1,31 | 2,48 | 2,80 |
| AVM 530/10 | 40B | 597 | 639 | 5,85 | 6,26 | 534,1 | 396,9 | 32,5 | 30,5 | 450 | 500 | 1,05 | 0,95 | 1,78 | 1,64 | 2,50 | 3,68 |
| AVM 650/10 | 40B | 655 | 701 | 6,42 | 6,87 | 585,9 | 435,4 | 36,5 | 34,5 | 550 | 600 | 1,10 | 0,98 | 1,81 | 1,69 | 2,58 | 3,71 |
| AVM 750/10 | 50A | 814 | 861 | 7,98 | 8,44 | 728,2 | 534,8 | 45,5 | 43,0 | 680 | 720 | 1,40 | 1,25 | 2,38 | 2,16 | 2,79 | 3,36 |
| AVM 1110/10 | 50B | 1067 | 1190 | 10,46 | 11,66 | 954.4 | 739,3 | 54,0 | 49,0 | 750 | 750 | 1,60 | 1,50 | 2,72 | 2,59 | 3,34 | 4,10 |
| AVM 1200/10 | 50B | 1211 | 1267 | 11,88 | 12,42 | 1083,3 | 787,1 | 55,0 | 49,5 | 780 | 800 | 1,65 | 1,55 | 2,80 | 2,68 | 3,47 | 4,40 |
| AVM 1300/10 | 50C | 1356 | 1327 | 13,30 | 13,01 | 1213,1 | 824,4 | 57,5 | 52,5 | 850 | 900 | 1,70 | 1,60 | 2,89 | 2,72 | 4,33 | 4,48 |
| AVM 1550/10 | 50C | 1627 | 1587 | 15,96 | 15,56 | 1455,4 | 985,9 | 65,0 | 59,0 | 950 | 1000 | 1,80 | 1,70 | 3,06 | 2,94 | 3,05 | 3,65 |
| AVM 1700/10 | 60B | 1683 | 1708 | 16,51 | 16,75 | 1505,5 | 1061,1 | 93,0 | 87,0 | 1100 | 1200 | 2,30 | 2,10 | -- | -- | 4,23 | 4,00 |
| AVM 2000/10 | 60B | 1820 | 1941 | 17,85 | 19,04 | 1628,1 | 1205,8 | 97,0 | 93,0 | 1300 | 1400 | 2,80 | 2,75 | -- | -- | 3,23 | 4,05 |
| AVM 2300/10 | 60C | 2243 | 2391 | 22,00 | 23,45 | 2006,5 | 1485,3 | 106,0 | 99,0 | 1500 | 1800 | 3,00 | 2,90 | -- | -- | 3,55 | 4,12 |
| AVM 3000/10 | 70B | 3144 | 3281 | 30,84 | 32,18 | 2812,5 | 2038,2 | 160,0 | 152,0 | 2000 | 2100 | 4,50 | 4,30 | -- | -- | 4,35 | 4,86 |
| AVM 4500/10 | 80B | 4211 | 4587 | 41,31 | 44,99 | 3767,0 | 2849,5 | 202,0 | 192,0 | 2500 | 3000 | 4,80 | 5,00 | -- | -- | 5,81 | 6,00 |
| AVM 5000/10 | 80B | 4597 | 5012 | 45,09 | 49,16 | 4112,3 | 3113,5 | 213,0 | 205,0 | 3200 | 3800 | 6,50 | 6,00 | -- | -- | 5,24 | 5,43 |
| AVM 6000/10 | 80B | 5237 | 5443 | 51,37 | 53,39 | 4684,8 | 3881,3 | 220,0 | 211,0 | 3800 | 4000 | 7,20 | 6,90 | -- | -- | 5,68 | 5,96 |
| AVM 6500/10 | 90B | 6052 | 5911 | 59,37 | 57,98 | 5413,9 | 3672,1 | 324,0 | 310,0 | 4000 | 4400 | 7,70 | 7,00 | -- | -- | 4,88 | 5,12 |
| AVM 7000/10 | 90B | 7160 | 6705 | 70,24 | 65,77 | 6405,1 | 4165,3 | 332,0 | 316,0 | 5000 | 5600 | 8,80 | 8,60 | -- | -- | 4,55 | 5,92 |
| AVM 8500/10 | 90C | 9023 | 8891 | 88,51 | 87,22 | 8071,6 | 5523,3 | 364,0 | 330,0 | 7500 | 8000 | 13,90 | 12,70 | -- | -- | 4,69 | 5,86 |
| AVM 9800/10 | 90C | 9622 | 9802 | 94,39 | 96,15 | 8607,5 | 6089,2 | 386,0 | 377,0 | 8000 | 8500 | 14,60 | 13,40 | -- | -- | 4,96 | 5,05 |
| AVM 10000/10 | 100B | 10220 | 10089 | 100,25 | 98,97 | 9142,5 | 6267,5 | 415,0 | 392,0 | 8500 | 8800 | 15,00 | 14,10 | -- | -- | 5,13 | 6,58 |
| AVM 12000/10 | 100B | 12937 | 12571 | 126,91 | 123,32 | 11572,9 | 7809,4 | 458,0 | 424,0 | 9500 | 10000 | 16,50 | 15,40 | -- | -- | 5,68 | 5,96 |
| AVM 13500/10 | 100B | 13889 | 13497 | 136,25 | 132,40 | 12424,6 | 8384,7 | 465,0 | 432,0 | 10000 | 10000 | 17,10 | 16,60 | -- | -- | 5,00 | 5,12 |
| AVM 14500/10 | 100B | 14900 | 14322 | 146,16 | 140,49 | 13329,1 | 8897,2 | 585,0 | 536,0 | 11800 | 12000 | 18,20 | 18,00 | -- | -- | 6,00 | 5,98 |
| AVM 15000/10 | 110B | 15985 | 15106 | 156,81 | 148,19 | 14299,6 | 9384,2 | 600,0 | 560,0 | 12500 | 13000 | 19,10 | 18,50 | -- | -- | 6,12 | 6,88 |
| AVM 18500/10 | 110B | 18968 | 19566 | 186,07 | 191,94 | 16968,1 | 12154,9 | 655,0 | 580,0 | 13800 | 14000 | 25,00 | 23,90 | -- | -- | 5,88 | 6,18 |
| AVM 20500/10 | 110B | 21068 | 20107 | 206,67 | 197,25 | 18846,7 | 12491,0 | 665,0 | 600,0 | 15000 | 15400 | 26,40 | 24,80 | -- | -- | 4,88 | 5,90 |
| AVM 22500/10 | 120B | 22540 | 20362 | 221,12 | 199,75 | 20162,8 | 12628,5 | 1025 | 995,0 | 19000 | 19000 | 33,00 | 25,50 | -- | -- | 4,68 | 5,89 |
| AVM 25500/10 | 120B | 25300 | 24100 | 248,19 | 236,42 | 22632,4 | 14971,4 | 1050 | 1027 | 19000 | 19000 | 33,00 | 25,50 | -- | -- | 4,68 | -- |
| AVM 30000/10 | 120B | 30575 | 30240 | 299,94 | 296,65 | 27351,1 | 18787,6 | 1315 | 1065 | 24000 | 25800 | 40,00 | 38,00 | -- | -- | 4,90 | 5,40 |
AVM 6 poles 1000 rpm-50Hz / 1200rpm-60Hz
| Model / Type | Gövde / Size | Fig | A | B | C | D | E | ØF | R | L | M | ØK | ØK | K¹ | G | S | N |
| AVM 200/10 | 30B | A* | 322 | 190 | 153 | 84,5 | 203,5 | 155 | 185 | 100÷105 | 140÷160 | 12 | 4 | 22,5 | 22 | 38 | 93,5 |
| AVM 270/10 | 30B | A* | 322 | 190 | 153 | 84,5 | 203,5 | 155 | 185 | 100÷105 | 140÷160 | 17 | 4 | 22,5 | 22 | 38 | 93,5 |
| AVM 390/10 | 40B | B | 405 | 210 | 188 | 108,5 | 228,5 | 183 | 220 | 120 | 170 | 17 | 4 | - | 26 | 37 | 107,5 |
| AVM 530/10 | 40B | B | 405 | 210 | 188 | 108,5 | 228,5 | 183 | 220 | 120 | 170 | 17 | 4 | - | 26 | 37 | 107,5 |
| AVM 650/10 | 40B | B | 405 | 210 | 188 | 108,5 | 228,5 | 183 | 220 | 120 | 170 | 18,5 | 4 | - | 26 | 37 | 107,5 |
| AVM 750/10 | 50A | A | 466 | 230 | 226 | 120 | 248 | 220 | 260 | 140÷150 | 190 | 18,5 | 4 | 23,5 | 27 | 50,5 | 120,5 |
| AVM 1110/10 | 50B | A | 520 | 230 | 226 | 147 | 248 | 220 | 260 | 140÷150 | 190 | 18,5 | 4 | 23,5 | 27 | 50,5 | 120,5 |
| AVM 1200/10 | 50B | A | 520 | 230 | 226 | 147 | 248 | 220 | 260 | 140÷150 | 190 | 18,5 | 4 | 23,5 | 27 | 50,5 | 120,5 |
| AVM 1300/10 | 50C | A | 580 | 230 | 226 | 177 | 248 | 220 | 260 | 140÷150 | 190 | 18,5 | 4 | 23,5 | 27 | 50,5 | 120,5 |
| AVM 1550/10 | 50C | A | 580 | 230 | 226 | 177 | 248 | 220 | 260 | 140÷150 | 190 | 22 | 4 | 23,5 | 27 | 50,5 | 120,5 |
| AVM 1700/10 | 60B | C | 604 | 269 | 260 | 172 | 274 | 244 | 282 | 155 | 225 | 22 | 4 | - | 25 | 53,5 | 133 |
| AVM 2000/10 | 60B | C | 604 | 269 | 260 | 172 | 274 | 244 | 282 | 155 | 225 | 22 | 4 | - | 25 | 53,5 | 133 |
| AVM 2300/10 | 60C | C | 634 | 269 | 260 | 187 | 274 | 244 | 282 | 155 | 225 | 22 | 4 | - | 25 | 53,5 | 133 |
| AVM 3000/10 | 70B | C | 634 | 315 | 290 | 172 | 323,5 | 284 | 327 | 155 | 255 | 25 | 4 | - | 30 | 65,5 | 160 |
| AVM 4500/10 | 80B | C | 773 | 340 | 334 | 219,5 | 352 | 309 | 360 | 180 | 280 | 25 | 4 | - | 35 | 77 | 172 |
| AVM 5000/10 | 80B | C | 773 | 340 | 334 | 219,5 | 352 | 309 | 360 | 180 | 280 | 25 | 4 | - | 35 | 77 | 172 |
| AVM 6000/10 | 80B | C | 773 | 340 | 334 | 219,5 | 352 | 309 | 360 | 180 | 280 | 28 | 6 | - | 35 | 77 | 172 |
| AVM 6500/10 | 90B | D | 750 | 390 | 366 | 192 | 398,5 | 354 | 405 | 100x2 | 320 | 28 | 6 | - | 38 | 76 | 196 |
| AVM 7000/10 | 90B | D | 750 | 390 | 366 | 192 | 398,5 | 354 | 405 | 100x2 | 320 | 28 | 6 | - | 38 | 76 | 196 |
| AVM 8500/10 | 90C | D | 842 | 390 | 366 | 238 | 398,5 | 354 | 405 | 100 x 2 | 320 | 28 | 6 | - | 38 | 76 | 196 |
| AVM 9800/10 | 90C | D | 842 | 390 | 366 | 238 | 398,5 | 354 | 405 | 100 x 2 | 320 | 38 | 6 | - | 38 | 76 | 196 |
| AVM 10000/10 | 100B | D | 884 | 460 | 410 | 237 | 454,5 | 412 | 465 | 125 x 2 | 380 | 38 | 6 | - | 45 | 98 | 222 |
| AVM 12000/10 | 100B | D | 884 | 460 | 410 | 237 | 454,5 | 412 | 465 | 125 x 2 | 380 | 38 | 6 | - | 45 | 98 | 222 |
| AVM 13500/10 | 100B | D | 884 | 460 | 410 | 237 | 454,5 | 412 | 465 | 125 x 2 | 380 | 38 | 6 | - | 45 | 98 | 222 |
| AVM 14500/10 | 100B | D | 884 | 460 | 410 | 237 | 454,5 | 412 | 465 | 125 x 2 | 380 | 45 | 8 | - | 45 | 98 | 222 |
| AVM 15000/10 | 110B | E | 1005 | 573 | 549 | 228 | 538 | 486 | 540 | 140 x 3 | 480 | 45 | 8 | - | 50 | 120 | 268 |
| AVM 18500/10 | 110B | E | 1005 | 573 | 549 | 228 | 538 | 486 | 540 | 140 x 3 | 480 | 45 | 8 | - | 50 | 120 | 268 |
| AVM 20500/10 | 110B | E | 1005 | 573 | 549 | 228 | 538 | 486 | 540 | 140 x 3 | 480 | 45 | 8 | - | 50 | 120 | 268 |
| AVM 22500/10 | 120B | E | 1200 | 700 | 585 | 305 | 655 | 596 | 670 | 140 x 3 | 600 | 45 | 8 | - | 45 | 140 | 320 |
| AVM 25500/10 | 120B | E | 1200 | 700 | 585 | 305 | 655 | 596 | 670 | 140 x 3 | 600 | 45 | 8 | - | 45 | 140 | 320 |
| AVM 30000/10 | 120B | E | 1200 | 700 | 585 | 305 | 655 | 596 | 670 | 140 x 3 | 600 | 45 | 8 | - | 45 | 140 | 320 |
AVM 8 poles 750 rpm-50Hz / 900 rpm-60Hz
| Model / Type | Gövde / Size | Santrifüj Kuvveti / Centrifugal Force (Kg/F) 50Hz |
Santrifüj Kuvveti / Centrifugal Force (Kg/F) 60Hz |
Santrifüj Kuvveti / Centrifugal Force (Kg/F) 50Hz |
Santrifüj Kuvveti / Centrifugal Force (Kg/F) 60Hz |
(*) Statik Moment / Statical Moment (Kgmm) 50Hz | (*) Statik Moment / Statical Moment (Kgmm) 60Hz | Ağırlık / Weight (Kg) 50Hz |
Ağırlık / Weight (Kg) 60Hz |
Giriş Gücü / Input Power (W) 50Hz | Giriş Gücü / Input Power (W) 60Hz | Nominal Akım / Nom. Current (A) 400V 50Hz |
Nominal Akım / Nom. Current (A) 460V 60Hz |
IA / IN 50Hz 220V 50Hz |
IA / IN 60Hz 115V 60Hz |
IA / IN 50Hz |
IA / IN 60Hz |
| AVM 120/75 | 30B | 106 | 141 | 1,04 | 1,38 | 168,5 | 155,7 | 18,6 | 18,6 | 230 | 250 | 0,85 | 0,75 | 1,44 | 1,29 | 2,15 | 2,11 |
| AVM 160/75 | 30B | 137 | 187 | 1,34 | 1,83 | 217,8 | 206,5 | 20,2 | 20,2 | 250 | 300 | 0,95 | 0,85 | 1,61 | 1,47 | 2,36 | 2,44 |
| AVM 210/75 | 40B | 178 | 241 | 1,74 | 2,36 | 283,1 | 266,2 | 27,8 | 27,8 | 350 | 380 | 1,10 | 1,05 | 1,87 | 1,81 | 2,05 | 2,30 |
| AVM 330/75 | 40B | 281 | 396 | 2,75 | 3,88 | 446,8 | 437,3 | 33,7 | 33,7 | 300 | 280 | 0,75 | 0,70 | 1,27 | 1,21 | 1,75 | 3,00 |
| AVM 500/75 | 50A | 458 | 601 | 4,49 | 5,89 | 728,3 | 663,7 | 45,6 | 45,6 | 400 | 450 | 1,20 | 1,20 | 2,04 | 2,07 | 2,42 | 2,60 |
| AVM 700/75 | 50B | 534 | 803 | 5,23 | 7,87 | 849,2 | 886,8 | 50,5 | 49,8 | 450 | 500 | 1,40 | 1,30 | 2,38 | 2,24 | 2,56 | 2,96 |
| AVM 800/75 | 50B | 610 | 881 | 5,98 | 8,64 | 970,1 | 972,9 | 54,4 | 54,6 | 550 | 560 | 1,55 | 1,40 | 2,63 | 2,42 | 2,43 | 2,87 |
| AVM 950/75 | 50B | 686 | 991 | 6,73 | 9,72 | 1090,9 | 1094,4 | 58,4 | 58,4 | 720 | 760 | 1,60 | 1,50 | 2,72 | 2,59 | 4,38 | 3,67 |
| AVM 1200/75 | 60B | 1081 | 1467 | 10,60 | 14,39 | 1719,1 | 1620,2 | 109,0 | 109,0 | 1100 | 1100 | 2,20 | 2,20 | -- | -- | 2,65 | 3,45 |
| AVM 1500/75 | 60C | 1261 | 1791 | 12,37 | 17,57 | 2005,4 | 1977,9 | 118,0 | 118,0 | 1150 | 1250 | 2,60 | 2,30 | -- | -- | 2,81 | 3,05 |
| AVM 2000/75 | 70B | 1769 | 2296 | 17,35 | 22,52 | 2813,3 | 2535,7 | 156,0 | 156,0 | 1700 | 1800 | 4,40 | 4,20 | -- | -- | 3,66 | 3,05 |
| AVM 3200/75 | 80B | 2533 | 3774 | 24,84 | 37,02 | 4028,3 | 4168,0 | 210,0 | 210,0 | 2000 | 2200 | 5,20 | 5,10 | -- | -- | 4,00 | 4,66 |
| AVM 4800/75 | 90B | 3727 | 5676 | 36,56 | 55,68 | 5927,1 | 6268,6 | 255,0 | 255,0 | 4000 | 4300 | 8,20 | 7,90 | -- | -- | 3,96 | 5,35 |
| AVM 5800/75 | 90C | 4738 | 6713 | 46,48 | 65,85 | 7535,0 | 7413,8 | 358,0 | 358,0 | 5600 | 6000 | 10,50 | 10,00 | -- | -- | 3,12 | 3,30 |
| AVM 5900/75 | 100B | 5602 | 7005 | 54,95 | 68,71 | 8909,0 | 7736,3 | 366,0 | 366,0 | 6000 | 6500 | 11,10 | 10,50 | -- | -- | 3,04 | 4,00 |
| AVM 8300/75 | 100B | 6713 | 9181 | 65,85 | 90,06 | 10675,9 | 10139,5 | 396,0 | 396,0 | 6500 | 7000 | 12,60 | 12,00 | -- | -- | 3,66 | 4,30 |
| AVM 9300/75 | 100B | 7277 | 10781 | 71,38 | 105,76 | 11572,8 | 11906,5 | 410,0 | 410,0 | 7500 | 8000 | 13,50 | 12,60 | -- | -- | 3,44 | 4,12 |
| AVM 13500/75 | 110B | 11868 | 13769 | 116,42 | 135,07 | 18874,1 | 15206,5 | 670,0 | 630,0 | 9200 | 9600 | 21,00 | 19,50 | -- | -- | 5,05 | 5,55 |
| AVM 17000/75 | 110B | 13513 | 17087 | 132,56 | 167,62 | 21490,2 | 18870,9 | 695,0 | 650,0 | 10500 | 11000 | 22,50 | 21,00 | -- | -- | 5,50 | 6,00 |
| AVM 22500/75 | 120B | 18200 | 22392 | 178,54 | 219,67 | 28943,1 | 24727,9 | 1120,0 | 1086,0 | 12500 | 16200 | 26,50 | 28,00 | -- | -- | 5,63 | 4,71 |
| AVM 25500/75 | 120B | -- | 25950 | -- | 254,57 | -- | 28658,4 | -- | 1027,0 | -- | 16200 | -- | 28,00 | -- | -- | -- | 4,71 |
| AVM 30000/75 | 120B | 21100 | 30460 | 206,99 | 298,81 | 33487,3 | 33472,9 | 1230,0 | 1265,0 | -- | -- | -- | -- | -- | -- | -- | -- |
AVM 8 poles 750 rpm-50Hz / 900 rpm-60Hz
| Model / Type | Gövde / Size | Fig | A | B | C | D | E | ØF | R | L | M | ØK | ØK | K¹ | G | S | N |
| AVM 120/75 | 30B | A* | 322 | 190 | 153 | 84,5 | 203,5 | 155 | 185 | 100÷105 | 140÷160 | 12 | 4 | 22,5 | 22 | 38 | 93,5 |
| AVM 160/75 | 30B | A* | 322 | 190 | 153 | 84,5 | 203,5 | 155 | 185 | 100÷105 | 140÷160 | 12 | 4 | 22,5 | 22 | 38 | 93,5 |
| AVM 210/75 | 40B | B | 405 | 210 | 188 | 108,5 | 228,5 | 183 | 220 | 120 | 170 | 17 | 4 | - | 26 | 37 | 107,5 |
| AVM 330/75 | 40B | B | 405 | 210 | 188 | 108,5 | 228,5 | 183 | 220 | 120 | 170 | 17 | 4 | - | 26 | 37 | 107,5 |
| AVM 500/75 | 50A | A | 466 | 230 | 226 | 120 | 248 | 220 | 260 | 140÷150 | 190 | 18,5 | 4 | 23,5 | 27 | 50,5 | 120,5 |
| AVM 700/75 | 50B | A | 520 | 230 | 226 | 147 | 248 | 220 | 260 | 140÷150 | 190 | 18,5 | 4 | 23,5 | 27 | 50,5 | 120,5 |
| AVM 800/75 | 50B | A | 520 | 230 | 226 | 147 | 248 | 220 | 260 | 140÷150 | 190 | 18,5 | 4 | 23,5 | 27 | 50,5 | 120,5 |
| AVM 950/75 | 50B | A | 520 | 230 | 226 | 147 | 248 | 220 | 260 | 140÷150 | 190 | 18,5 | 4 | 23,5 | 27 | 50,5 | 120,5 |
| AVM 1200/75 | 60B | C | 604 | 269 | 260 | 172 | 274 | 244 | 282 | 155 | 225 | 22 | 4 | - | 25 | 53,5 | 133 |
| AVM 1500/75 | 60B | C | 604 | 269 | 260 | 172 | 274 | 244 | 282 | 155 | 225 | 22 | 4 | - | 25 | 53,5 | 133 |
| AVM 2000/75 | 70B | C | 634 | 315 | 290 | 172 | 323,5 | 284 | 327 | 155 | 255 | 22 | 4 | - | 30 | 65,5 | 160 |
| AVM 3200/75 | 80B | C | 773 | 340 | 334 | 219,5 | 352 | 309 | 360 | 180 | 280 | 25 | 4 | 35 | 77 | 172 | |
| AVM 4800/75 | 90B | D | 750 | 390 | 366 | 192 | 398,5 | 354 | 405 | 100 x 2 | 320 | 28 | 6 | - | 38 | 76 | 196 |
| AVM 5800/75 | 90C | D | 842 | 390 | 366 | 238 | 398,5 | 354 | 405 | 100 x 2 | 320 | 28 | 6 | - | 38 | 76 | 196 |
| AVM 5900/75 | 100B | D | 884 | 460 | 410 | 237 | 454,5 | 412 | 465 | 125 x 2 | 380 | 38 | 6 | - | 45 | 98 | 222 |
| AVM 8300/75 | 100B | D | 884 | 460 | 410 | 237 | 454,5 | 412 | 465 | 125 x 2 | 380 | 38 | 6 | - | 45 | 98 | 222 |
| AVM 9300/75 | 100B | D | 884 | 460 | 410 | 237 | 454,5 | 412 | 465 | 125 x 2 | 380 | 38 | 6 | - | 45 | 98 | 222 |
| AVM 13500/75 | 110B | E | 1005 | 573 | 549 | 228 | 538 | 486 | 540 | 140 x 3 | 480 | 45 | 8 | - | 50 | 120 | 268 |
| AVM 17000/75 | 110B | E | 1005 | 573 | 549 | 228 | 538 | 486 | 540 | 140 x 3 | 480 | 45 | 8 | - | 50 | 120 | 268 |
| AVM 22500/75 | 120B | E | 1200 | 700 | 585 | 305 | 655 | 596 | 670 | 140 x 3 | 600 | 45 | 8 | - | 45 | 140 | 320 |
| AVM 25500/75 | 120B | E | 1200 | 700 | 585 | 305 | 655 | 596 | 670 | 140 x 3 | 600 | 45 | 8 | - | 45 | 140 | 320 |
| AVM 30000/75 | 120B | E | 1200 | 700 | 585 | 305 | 655 | 596 | 670 | 140 x 3 | 600 | 45 | 8 | - | 45 | 140 | 320 |
Other Products