Follow Us

AVM-D Series Vibration Motors for Milling Industry

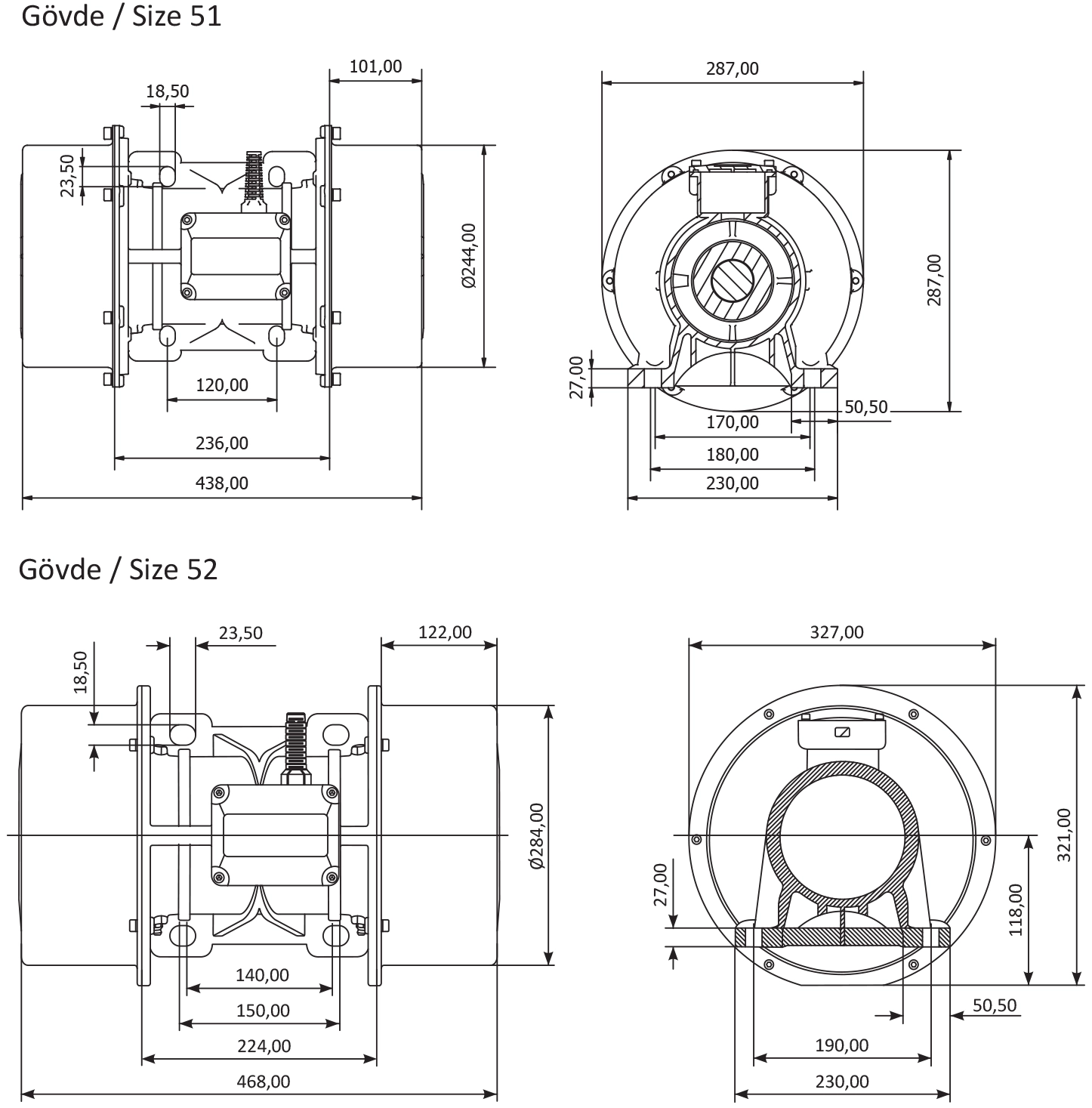
Avibro Vibrasyon Motorları

AVIBRO foot mounted vibration motors offer a full range of premium quality foot mounted vibrator motors that meet the needs of all industrial machinery where vibration power is required.

We declare that all our AVM-M series products comply with the essential health and safety requirements of the applicable EEC Directives (safety of machinery 2006/42/EC; and 2014/35/EU Low voltage directives) and are able to fulfill the requirements for free movement.


All series whıch starts with AVM-D code :

II2D Ex tb IIIC (T120 °C) Zone 21 Zone 22

Foot Mounted Vibration Motors Technical Specifications

Three-Phase Input Voltage:
For All AVM-D series : Standart applications: 50Hz- 220 – 230/380-400 Volt or 60Hz- 220-240/440-480 Volt We are offering you different voltage and frequency on demand AVM-D Series vibration motors can be operated by variable Frequency inverters (VFD featured). AVM-D serisi vibro motorlar, değişken frekanslı sürücü (VFD özellikli inverter) ile kullanıma uygundur.

Frequency and Rotation per Minute (rpm)

For All AVM-D series :
10 poles : 600 rpm- 50 Hz 720 rpm- 60 Hz
12 poles: 500 rpm- 50 Hz 600 rpm- 60 Hz

Foot Mounted Vibration Motors Adjusting Vibration Force

AVIBRO Vibration motors are designed for gaining most vibration according to working regime S1. Thanks to degress on both end Masses from %0 to %100 you can adjust requied vibration force. Eccentric masses on both side ends of shaft must be at same degrees.

AVIBRO Mechanical Protection

We hereby declare that All AVM-P Series goods are manufacturing in compliance with regulations envisioned by EEC( Machine directive 2006/42/EC Directive 2006/42/EC of the European Parliament and of the Council of 17 May 2006 on machinery, and amending Directive 95/16/EC (recast) AND 2014/35/EU Directive 2014/35/EU of the European Parliament and of the Council of 26 February 2014 on the harmonisation of the laws of the Member States relating to the making available on the market of electrical equipment designed for use within certain voltage limits (recast). *Decleration will loose its validity if there will be any change by product.

AVIBRO Inside of Electric Motor

We are highly aware of enviromental pollution in our Planet. We are highly aware of enviromental pollution in our Planet. For this reason, AVIBRO offers you more power compared to its competitors with the STATOR-ROTOR design created with the lowest loss silicon magnetic lamination sheets, while offering products with increased efficiency by reducing heating.

AVIBRO Vibration Motors Isolation Class

AVM-D series vibration motors have powerful standard H class insulation. On demand, you can choose a stronger insulation class. On demand, you can choose a stronger insulation class. Eccentric weight covers, bearing covers and terminal covers are mechanically protected against external damage with o-ring seals. Inside the terminal box, it is protected by Epoxy resin against breakage against leakage and vibration. IP 65-7

AVIBRO Vibration Motors Enviromental Working Temperature

For AVM-D Series -20 C° ile +40 C° ( -4 F ile 104 C° )

AVIBRO Vibration Motors Thermal Protection

For AVM-D series products, we do not have a standard thermistor application. For AVM-D series products, we do not have a standard thermistor application.

AVIBRO Vibration Motors Body and Rotating Shaft

For AVM-D series, all other series and new products, stress analyzes are made on the product bodies and bearing covers on the 3D CAD program. Afterwards, we manufacture our 50 frame size body and bearing covers, our special alloy aluminum injection molding 60 and 110 structure size body and bearing covers from high resistant GGG 40 ductile cast iron. Our rotating shafts (rotor shaft) use NiCrMo special steel round raw material with high resistance to torsion and rupture with heat treatment.

AVIBRO Vibration Motors Painting

We use electrostatic epoxy powder paint in almost all of our AVM-D Series products. Body color code : Orange
Side Covers color Code: Orange

AVIBRO Vibration Motors Bearing and Lubrication

AVIBRO vibrator motors use bearings with C4 backlash produced for long-lasting vibration in all standard products. Thus, we produce long-lasting vibration motors for our customers. For our vibration motor bearings, we use long-lasting, high-strength greases against high centrifugal forces, stress caused by vibration, and abrasions that may occur from loads on bearing internal grains. We use labyrinth type channels and oil seals to ensure that the grease runs in the bearings without any leakage.

AVIBRO Vibration Motors On Demand Manufacturing We Offer

Pre-heaters
Stainless side covers Cr
Different foot-prints for your special applications

design productions

AVM-D 12 poles 600rpm-50Hz / 750rpm-60Hz

Model / Type Gövde / Size Santrifüj Kuvveti /
Centrifugal Force
(Kg/F) 50Hz
Santrifüj Kuvveti /
Centrifugal Force
(Kg/F) 60Hz
Santrifüj Kuvveti /
Centrifugal Force
(Kg/F) 50Hz
Santrifüj Kuvveti /
Centrifugal Force
(Kg/F) 60Hz
(*) Statik Moment / Statical Moment (Kgmm) 50Hz (*) Statik Moment / Statical Moment (Kgmm) 60Hz Ağırlık / Weight
(Kg) 50Hz
Ağırlık / Weight
(Kg) 60Hz
Giriş Gücü / Input Power (W) 50Hz Giriş Gücü / Input Power (W) 60Hz Nominal Akım / Nom. Current
(A) 400V 50Hz
Nominal Akım / Nom. Current
(A) 220V 60Hz
IA / IN
50Hz
IA / IN
60Hz
AVM-D 650/6 51A 665 726 6,52 7,12 1652,5 1154,6 59 57 310 350 1,50 1,30 3,12 3,00
AVM-D 800/6 51A 884 852 8,67 8,36 2196,6 1355,0 63 63 480 500 1,70 1,55 2,91 3,11
*AVM-DE 800/6 52A 884 852 8,67 8,36 2196,6 1355,0 63 63 480 500 1,70 1,55 2,91 3,11
AVM-D1000/6 52A 1106 1021 10,85

10,01 2748,3 1623,8 68 67 550 550 2,00 1,80 3,16 3,42

 

AVM-D/CR 12 poles 600rpm-50Hz / 750rpm-60Hz

Model / Type Gövde / Size Santrifüj Kuvveti
Centrifugal Force
(Kg/F) 50Hz
Santrifüj Kuvveti /
Centrifugal Force
(Kg/F) 60Hz
Santrifüj Kuvveti /
Centrifugal Force
(Kg/F) 50Hz
Santrifüj Kuvveti /
Centrifugal Force
(Kg/F) 60Hz
(*) Statik Moment / Statical Moment (Kgmm) 50Hz (*) Statik Moment / Statical Moment (Kgmm) 60Hz Ağırlık / Weight
(Kg) 50Hz
Ağırlık / Weight
(Kg) 60Hz
Giriş Gücü / Input Power (W) 50Hz Giriş Gücü / Input Power (W) 60Hz Nominal Akım / Nom. Current
(A) 400V 50Hz
Nominal Akım / Nom. Current
(A) 220V 60Hz
IA / IN
50Hz
IA / IN
60Hz
AVM-D / CR 650/6 51A 665 726 6,52 7,12 1652,5 1154,6 59 57 310 350 1,50 1,30 3,12 3,00
AVM-D / CR 650/6 51A 884 852 8,67 8,36 2196,6 1355,0 63 63 480 500 1,70 1,55 2,91 3,11
AVM-D / CR 650/6 52A 884 852 8,67 8,36 2196,6 1355,0 63 63 480 500 1,70 1,55 2,91 3,11
AVM-D / CR 650/6 52A 1106 1021 10,85

10,01 2748,3 1623,8 68 67 550 550 2,00 1,80 3,16 3,42

Other Products

Bursa Motor Logo

+90 224 443 46 36

© 2025 Bursa Motor | All Rights Reserved.