Bizi Takip Edin
KVM-HV Serisi
Kem-P Vibrasyon MotorlarıMuhtelif beton kalıplarına bağlanır. Yaptığı titreşimle beton harcının yerleşmesini sağlar ve betonda meydana gelebilecek boşlukları önler. Saç bunkerlere bağlanır. Böylelikle bunker içerisindeki malın akışında sürekliliği sağlar. Kum, çakıl, agrega malzemeleri hazırlayan eleme tesislerinde kullanılır. Hem prefabrikasyon tesislerinde hem de şantiyelerde kullanılan yüksek frekanslı Kem-P KVM-HV pnömatik vibrasyon motorları, elektrik sistemlerini kullanmanın mümkün olmadığı veya tehlikeli olduğu durumlarda beton sıkıştırmada en iyi sonuçlar elde etmenizi sağlar.
| Model |
Dış Çap INCH |
Dış Çap mm |
Ağırlık LBS |
Ağırlık Kg |
Basınçlı Hava PSI |
Basınçlı Hava BAR |
Basınçlı Hava CFM |
Basınçlı Hava m³/dk |
Merkezkaç Kuvveti / Frekans Kg |
Merkezkaç Kuvveti / Frekans Hz |
Merkezkaç Kuvveti / Frekans VIBR.min |
|---|---|---|---|---|---|---|---|---|---|---|---|
| KVM-HV-6 | 4,65 | 118 | 13,2 | 6 | 71 100 |
4,9 6,9 |
35,31 40,61 |
1,00 1,15 |
917,7 | 150 180 |
9.000 10.800 |
| KVM-HV-8 | 5,82 | 148 | 17,6 | 8 | 71 100 |
4,9 6,9 |
40,61 45,90 |
1,15 1,30 |
1.223,6 | 150 180 |
9.000 10.800 |
| KVM-HV-10 | 5,82 | 148 | 22 | 10 | 71 100 |
4,9 6,9 |
45,90 51,20 |
1,30 1,45 |
1.529,5 | 150 180 |
9.000 10.800 |
| KVM-HV-14 | 6,30 | 160 | 30,8 | 14 | 71 100 |
4,9 6,9 |
51,20 58,27 |
1,45 1,65 |
2.855,2 | 150 180 |
9.000 10.800 |
| KVM-HV-16 | 6,61 | 186 | 35,2 | 16 | 71 100 |
4,9 6,9 |
56,50 63,56 |
1,60 1,80 |
3.263,1 | 150 180 |
9.000 10.800 |
| KVM-HV-20 | 6,61 | 186 | 44 | 20 | 71 100 |
4,9 6,9 |
60,03 67,09 |
1,70 1,90 |
4.078,8 | 150 180 |
9.000 10.800 |
| KVM-HV-24 | 6,61 | 186 | 48,5 | 22 | 71 100 |
4,9 6,9 |
63,93 71,45 |
1,70 1,90 |
6.346,7 | 150 180 |
9.000 10.800 |
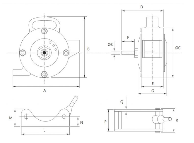
| Gövde Ölçüleri (mm) | |||||||||||||||
|---|---|---|---|---|---|---|---|---|---|---|---|---|---|---|---|
| Model | Rif | A | B | ØC | D | E | F | G | L | M | N | P | Q | R | ØS |
| KVM-HV - 6 | 1 | 203 | 182 | 145 | 167 | 89 | 41 | 95 | 228 | 68 | 48 | 63 | 10 | 72 | 20 |
| KVM-HV - 8 | 1 | 203 | 182 | 145 | 167 | 89 | 41 | 95 | 228 | 68 | 48 | 63 | 10 | 72 | 20 |
| KVM-HV - 10 | 1 | 203 | 182 | 145 | 167 | 89 | 41 | 95 | 228 | 68 | 48 | 63 | 10 | 72 | 20 |
| KVM-HV - 14 | 1 | 203 | 182 | 145 | 167 | 89 | 41 | 95 | 228 | 68 | 48 | 63 | 10 | 72 | 20 |
| KVM-HV - 16 | 1 | 228 | 203 | 163 | 221 | 121 | 41 | 147 | 250 | 83 | 53 | 76 | 10 | 87 | 20 |
| KVM-HV - 20 | 1 | 228 | 203 | 163 | 221 | 121 | 41 | 147 | 250 | 83 | 53 | 76 | 10 | 87 | 20 |
| KVM-HV - 24 | 1 | 228 | 203 | 163 | 221 | 121 | 41 | 147 | 250 | 83 | 53 | 76 | 10 | 87 | 20 |