Подписывайтесь на нас
KVM Serisi
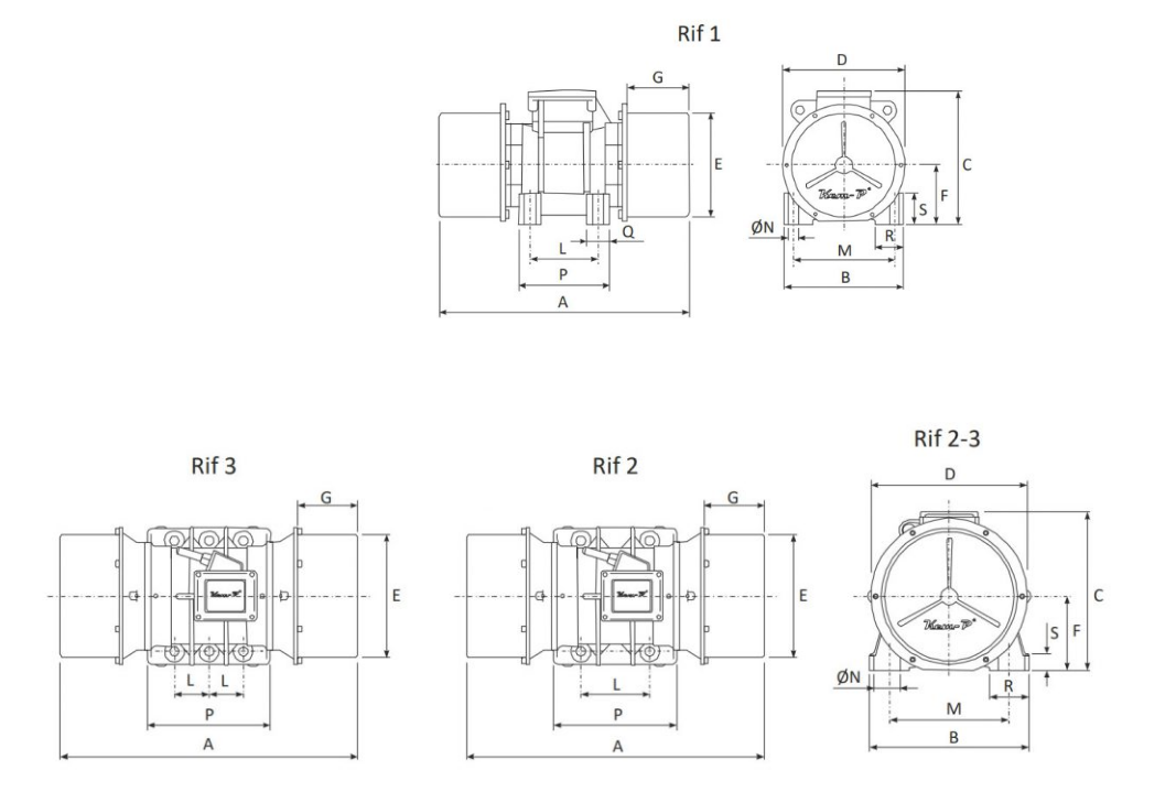
Kem-P Vibrasyon Motorları2 (3000rpm), 4 (1500rpm), 6 (1000rpm) ve 8 (750rpm) kutuplu 20kgf ile 21.000kgf ile merkezkaç kuvveti sağlayan endüstriyel Kem-P KVM Serisi Vibrasyon Motorları, tüm endüstri alanlarında her türlü vibrasyon uygulamaları için kullanılır. Kem-P KVM Serisi Vibrasyon Motorları, yanıcı ve patlayıcı tozların bulunduğu tehlikeli ortamda uygulamalar için ATEX II 2D Ext b IIIC T 120C Db ve IP66 sertifikalarına sahiptir.
| Model | Gövde | II 2D Sınıfı | Santrifüj Kuvveti ( Kg/F ) 50Hz |
Santrifüj Kuvveti ( Kg/F ) 60Hz |
Santrifüj Kuvveti ( KN ) 50Hz |
Santrifüj Kuvveti ( KN ) 60Hz |
(*)Statik Moment ( Kgmm ) 50Hz |
(*)Statik Moment ( Kgmm ) 60Hz |
Ağırlık ( Kg ) 50Hz |
Ağırlık ( Kg ) 60Hz |
Giriş Gücü ( W ) 50Hz |
Giriş Gücü ( W ) 60Hz |
Nominal Akım ( A ) 400V 50Hz |
Nominal Akım ( A ) 400V 60Hz |
IA / IN 50Hz |
IA / IN 60Hz |
| KVM-30-01-001 | 01 | 120° | 49 | 53 | 0,481 | 0,520 | 4,9 | 3,7 | 4,5 | 4,3 | 100 | 110 | 0,23 | 0,20 | 2,30 | 2,70 |
| KVM-30-01-002 | 01 | 120° | 62 | 71 | 0,647 | 0,697 | 6,1 | 4,9 | 4,8 | 4,4 | 150 | 165 | 0,30 | 0,28 | 2,50 | 2,90 |
| KVM-30-01-003 | 01 | 120° | 153 | 132 | 1,501 | 1,295 | 15,2 | 9,1 | 4,9 | 4,6 | 180 | 190 | 0,35 | 0,32 | 3,30 | 3,30 |
| KVM-30-01-004 | 01 | 120° | 214 | 220 | 2,099 | 2,158 | 21,3 | 15,2 | 5,2 | 4,9 | 180 | 190 | 0,35 | 0,32 | 3,30 | 3,30 |
| KVM-30-02-001 | 02 | 120° | 301 | 290 | 3,443 | 2,845 | 29,9 | 20,0 | 8,4 | 8,1 | 270 | 300 | 0,58 | 0,60 | 3,50 | 3,60 |
| KVM-30-02-002 | 02 | 120° | 402 | 434 | 4,101 | 4,258 | 39,9 | 29,9 | 9 | 8,6 | 360 | 400 | 0,75 | 0,80 | 3,50 | 3,50 |
| KVM-30-03-001 | 03-a | 120° | 565 | 543 | 5,543 | 5,327 | 56,2 | 37,5 | 14,7 | 14 | 470 | 550 | 0,80 | 0,92 | 4,00 | 4,00 |
| KVM-30-03-002 | 03-a | 120° | 660 | 679 | 6,553 | 6,661 | 65,6 | 46,9 | 15 | 14,4 | 500 | 600 | 0,98 | 0,85 | 4,00 | 4,20 |
| KVM-30-03-003 | 03-a | 120° | 754 | 814 | 7,397 | 7,985 | 74,9 | 56,2 | 15,4 | 14,7 | 550 | 650 | 1,00 | 0,90 | 4,30 | 5,00 |
| KVM-30-04-001 | 04-a | 120° | 773 | 835 | 7,583 | 8,191 | 76,8 | 57,7 | 22 | 21,4 | 570 | 680 | 1,10 | 1,10 | 3,80 | 3,80 |
| KVM-30-04-002 | 04-a | 120° | 889 | 835 | 8,721 | 8,191 | 88,4 | 57,7 | 22,4 | 21,4 | 600 | 700 | 1,20 | 1,10 | 3,80 | 4,00 |
| KVM-30-04-003 | 04-a | 120° | 966 | 1002 | 9,476 | 9,830 | 96,0 | 69,2 | 22,7 | 21,8 | 650 | 750 | 1,30 | 1,35 | 4,00 | 4,10 |
| KVM-30-04-004 | 04-a | 120° | 1082 | 1113 | 10,614 | 10,919 | 107,5 | 76,8 | 23 | 22 | 720 | 800 | 1,50 | 1,40 | 5,00 | 4,90 |
| KVM-30-04-005 | 04-a | 120° | 1352 | 1391 | 13,263 | 13,646 | 134,4 | 96,0 | 24,4 | 23 | 1000 | 1100 | 2,20 | 2,00 | 5,20 | 5,20 |
| KVM-30-05-001 | 05-a | 120° | 1632 | 1692 | 16,010 | 16,599 | 162,2 | 116,8 | 34,8 | 33,5 | 1500 | 1500 | 2,40 | 2,10 | 5,40 | 6,00 |
| KVM-30-05-002 | 05-a | 120° | 1830 | 1880 | 17,952 | 18,443 | 181,9 | 129,8 | 36 | 34 | 1725 | 1725 | 2,67 | 2,41 | 5,90 | 6,00 |
| KVM-30-05-003 | 05-a | 120° | 1960 | 2162 | 20,493 | 21,209 | 194,6 | 149,3 | 36,3 | 35 | 2000 | 2000 | 3,30 | 2,90 | 6,00 | 6,20 |
| KVM-30-05-004 | 05-a | 120° | 2285 | 2350 | 23,338 | 23,054 | 227,0 | 162,2 | 37,3 | 35,4 | 2200 | 2250 | 3,50 | 3,40 | 6,10 | 6,40 |
| KVM-30-06-001 | 06-a | -- | 2495 | 2554 | 24,476 | 25,055 | 248,0 | 176,3 | 89 | 87 | 2300 | 2400 | 3,80 | 3,50 | 5,10 | 5,70 |
| KVM-30-06-002 | 06-a | -- | 2930 | 2852 | 28,743 | 27,978 | 292,1 | 196,9 | 90 | 88 | 2650 | 2780 | 4,37 | 4,00 | 5,90 | 6,00 |
| KVM-30-06-003 | 06-a | -- | 3512 | 3245 | 34,453 | 31,833 | 349,1 | 224,0 | 93 | 90 | 3200 | 3300 | 4,60 | 4,30 | 6,00 | 6,30 |
| KVM-30-06-004 | 06-a | -- | 4081 | 5012 | 40,035 | 49,168 | 405,7 | 345,9 | 94 | 92 | 4350 | 4400 | 6,80 | 5,95 | 7,00 | 7,30 |
| KVM-30-06-005 | 06-a | -- | 5029 | 6070 | 49,334 | 59,547 | 499,9 | 419,0 | 96 | 95 | 5000 | 5000 | 8,20 | 7,10 | 8,50 | 8,70 |
| KVM-30-09-001 | 09-a | -- | 6571 | 6536 | 64,462 | 64,118 | 653,2 | 451,2 | 260 | 258 | 8000 | 8000 | 13,30 | 12,00 | 8,30 | 8,50 |
| KVM-30-09-002 | 09-a | -- | 7635 | 7656 | 74,899 | 75,105 | 758,9 | 528,5 | 270 | 267 | 9000 | 8800 | 15,20 | 13,50 | 8,50 | 8,70 |
| KVM-30-09-003 | 09-a | -- | 9020 | 9006 | 88,486 | 88,349 | 896,6 | 621,7 | 278 | 275 | 10000 | 9500 | 17,00 | 13,50 | 8,30 | 8,60 |