Folgen Sie uns
KVM/FU ve KVM/FO Serisi
Kem-P Vibrasyon MotorlarıKVM/FU ve KVM/FO Serisi Flanşlı Vibrasyon motorları kurutma, yıkama, parlatma, sırlama vb. eleklerde kullanılan endüstriyel tip flanşlı vibrasyon motorlarıdır. 2 Kutuplu 3000 rpm - 4 Kutuplu 1500 rpm ve 6 Kutuplu 1000 rpm, 50 Hz ya da 60 Hz çalışma seçeneği ve 175 kgf ile 9000 kgf arası santrifüj kuvveti sağlayan 0,22 kW - 11,00 kW aralığında güç üretmektedir.
II 2D Ex tb IIIB T 120°C Db - IP 66
| Model Type |
rpm | Santrifüj Kuvveti Centrifugal Force ( Kg/F ) |
Santrifüj Kuvveti Centrifugal Force ( Kg/F ) |
Santrifüj Kuvveti Centrifugal Force ( KN ) |
Santrifüj Kuvveti Centrifugal Force ( KN ) |
Ağırlık Weight (kg) | Ağırlık Weight (kg) | Giriş Gücü Input Power ( W ) |
Giriş Gücü Input Power ( W ) |
Nominal Akım Nom. Current ( A ) |
Nominal Akım Nom. Current ( A ) |
IA / IN |
IA / IN |
|---|---|---|---|---|---|---|---|---|---|---|---|---|---|
| 50 Hz | 60Hz | 50 Hz | 60 Hz | 50 Hz | 60 Hz | 50 Hz | 60 Hz | 400 V 50 Hz |
460 V 60 Hz |
50 Hz | 60 Hz | ||
| KVM-15-01-FO1 | 1500 | 1306 | 1246 | 12,812 | 12,223 | 10 | 9 | 720 | 816 | 1,36 | 1,30 | 4,00 | 4,00 |
| KVM-15-02-FO2 | 1500 | 2379 | 2356 | 23,338 | 23,112 | 13 | 12 | 1300 | 1400 | 2,30 | 2,10 | 4,90 | 4,90 |
| KVM-30-02-FO2 | 3000 | 2285 | 2350 | 23,338 | 23,054 | 13 | 12 | 2200 | 2250 | 3,50 | 3,40 | 6,10 | 6,40 |
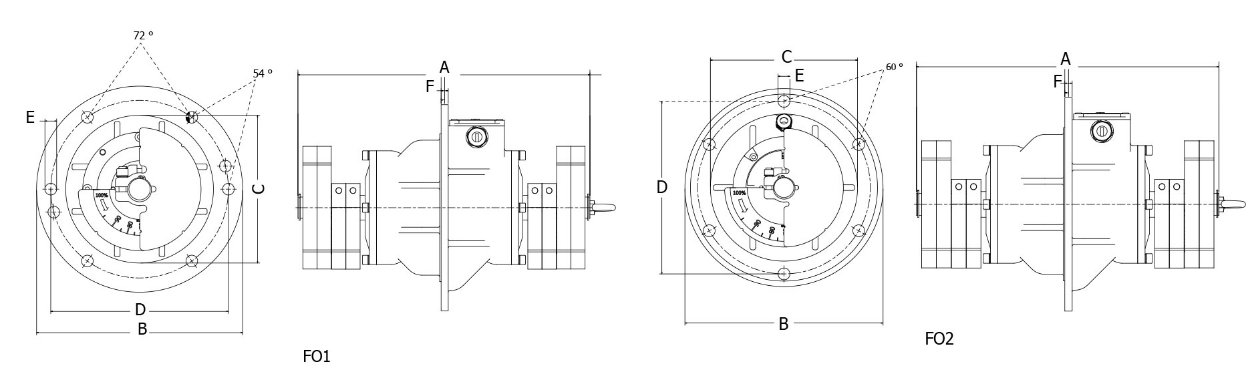
| Model Type |
A | ØB | ØC | ØD | ØE | F |
|---|---|---|---|---|---|---|
| KVM-15-01-FO1 | 411 | 290 | 208 | 250 | 16,5 | 10 |
| KVM-15-02-FO2 | 480 | 350 | 260 | 280 | 21 | 18 |
| KVM-30-02-FO2 | 480 | 350 | 260 | 280 | 21 | 18 |
| Model Type |
rpm | Santrifüj Kuvveti Centrifugal Force ( Kg/F ) |
Santrifüj Kuvveti Centrifugal Force ( Kg/F ) |
Santrifüj Kuvveti Centrifugal Force ( KN ) |
Santrifüj Kuvveti Centrifugal Force ( KN ) |
Ağırlık Weight (kg) | Ağırlık Weight (kg) | Giriş Gücü Input Power ( W ) |
Giriş Gücü Input Power ( W ) |
Nominal Akım Nom. Current ( A ) |
Nominal Akım Nom. Current ( A ) |
IA / IN |
IA / IN |
|---|---|---|---|---|---|---|---|---|---|---|---|---|---|
| 50 Hz | 60Hz | 50 Hz | 60 Hz | 50 Hz | 60 Hz | 50 Hz | 60 Hz | 400 V 50 Hz |
460 V 60 Hz |
50 Hz | 60 Hz | ||
| KVM-30-02-FU1 | 3000 | 334 | -- | 5,239 | -- | 28 | -- | 550 | -- | 0,91 | -- | -- | -- |
| Model Type |
rpm | Santrifüj Kuvveti Centrifugal Force ( Kg/F ) |
Santrifüj Kuvveti Centrifugal Force ( Kg/F ) |
Santrifüj Kuvveti Centrifugal Force ( KN ) |
Santrifüj Kuvveti Centrifugal Force ( KN ) |
Ağırlık Weight (kg) | Ağırlık Weight (kg) | Giriş Gücü Input Power ( W ) |
Giriş Gücü Input Power ( W ) |
Nominal Akım Nom. Current ( A ) |
Nominal Akım Nom. Current ( A ) |
IA / IN |
IA / IN |
|---|---|---|---|---|---|---|---|---|---|---|---|---|---|
| 50 Hz | 60Hz | 50 Hz | 60 Hz | 50 Hz | 60 Hz | 50 Hz | 60 Hz | 400 V 50 Hz |
460 V 60 Hz |
50 Hz | 60 Hz | ||
| KVM-10-03-FU2 | 1000 | 1300 | 1300 | 12,753 | 12,753 | 38 | 38 | 800 | 900 | 1,60 | 1,60 | 3,6 | 4,0 |
| KVM-15-04-FU1 | 1500 | 1500 | 1500 | 14,715 | 14,715 | 38 | 38 | 1100 | 1200 | 2,20 | 2,20 | 4,4 | 4,8 |
| Model Type |
rpm | Santrifüj Kuvveti Centrifugal Force ( Kg/F ) |
Santrifüj Kuvveti Centrifugal Force ( Kg/F ) |
Santriüfüj Kuvveti Centrifugal Force ( KN ) |
Santrifüj Kuvveti Centrifugal Force ( KN ) |
Ağırlık Weight (kg) | Ağırlık Weight (kg) | Giriş Gücü Input Power ( W ) |
Giriş Gücü Input Power ( W ) |
Nominal Akım Nom. Current ( A ) |
Nominal Akım Nom. Current ( A ) |
IA / IN |
IA / IN |
|---|---|---|---|---|---|---|---|---|---|---|---|---|---|
| 50 Hz | 60Hz | 50 Hz | 60 Hz | 50 Hz | 60 Hz | 50 Hz | 60 Hz | 400 V 50 Hz |
460 V 60 Hz |
50 Hz | 60 Hz | ||
| KVM-30-03-FU1 | 3000 | 1055 | 967 | 10,350 | 9,575 | 42 | 40 | 1300 | 1400 | 1,90 | 1,90 | 5,2 | 6,0 |
| KVM-30-04-FU1 | 3000 | 1632 | 1300 | 15,900 | 12,753 | 45 | 43 | 1700 | 2000 | 3,10 | 2,90 | 4,6 | 5,6 |
| KVM-15-03-FU1 | 1500 | 782 | 902 | 7,671 | 8,849 | 46 | 44 | 1000 | 1100 | 1,60 | 1,60 | 4,3 | 4,4 |
| KVM-15-04-FU2 | 1500 | 1030 | 1200 | 10,104 | 11,772 | 50 | 47 | 1100 | 1200 | 2,50 | 2,00 | 4,4 | 4,7 |
| Model Type |
A | B | ØE | D |
|---|---|---|---|---|
| KVM-30-03-FU1 | 414 | 242 | 221 | 84 |
| KVM-30-04-FU1 | 455 | 242 | 221 | 84 |
| KVM-15-03-FU1 | 414 | 242 | 221 | 84 |
| KVM-15-04-FU2 | 455 | 244 | 283 | 110 |